
Rudimentary motor layout
   
Three wire coils
   
Bar magnet spinning on a pivot
Think "school science fair"

Energize one coil
   
Current creates magnetic field
   
Field aligns along coil axis
What happens to the magnet?

Opposite poles attract
Similar poles repel
Turning force exerted on magnet

Common center is internal only
   
So we don't really have access to it
Attach the orange wires
   
Different labeling schemes:
   
  U/V/W ; A/B/C ; ...
Now we energize two coils at once
   
Doubles force w/ same current

Now, the V coil is useless
   
Still have contribution from the W coil
   
But V coil wants to hold the red back
What do we do now?

Answer: switch coils
   
Move (+) from V to U
   
New field builds from new direction
More torque to keep going

W field contribution weakens
Need to switch again soon...

Now, move (-) to V
Maintains rotating field, high torque
   
Always about 90 degrees to magnet

If we're on sinewave line power instead ...
   
Currents build fields smoothly
   
All three coils carry current, except at zero-crossing
   
Currents into and out of motor add up to zero
Alternate switching scheme
   
Fire all three coils when appropriate
   
Current splits equally through U and W
   
Two half-strength north/green fields for a while

Exact opposite of where we started
   
V and W now reversed
   
U is about to swing (-)

Waveform options
   
Commercial power is already AC
Switching method can "fake" a sinewave
   
Close enough to work well, anyway
   
Magnetic field still rotates
How do we get all that from a DC battery?

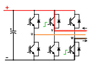
Common 3-phase inverter circuit
   
This shows up everywhere in hybrids and EVs
   
And even a few conventional vehicles now
Turns DC into AC for motor drive

Controller turns on transistor bases

Six switching states
   
[Read down, not across!]
One changed connection per transition
To reverse, just swap any two leads
   
(or reverse commutation steps backward from step 4)
   
Motor controllers do this easily

Modeling the car parts

Take away the transistors...
   
It all works in reverse, too
   
Spin the magnet, generate currents
Typical 3-phase rectifying bridge
   
Almost every alternator contains this
Unregulated generating capability
   
No controllable field winding here
   
Magnets don't turn off
Don't dinghy-tow the car!

Switching both legs releases magic smoke
Need protective driver circuitry
   
Most inverters guard against this in hardware
   
Provision for minimum "dead time"
Halfway-on states are bad too
   
But what about sinewave drive?
   
How do we regulate motor power?

A method for current control
Resistors get HOT, right?
   
Transistors act like resistors if driven linearly
   
Partially on  -->  high voltage, high current, poof
All-on or all-off is more efficient
   
Off: no current --> low wattage
   
On: no (or little) voltage --> low wattage
On-time ratio yields average current
   
Switching rate is fast -- 10 or 20 KHz or more
   
Winding inductance smooths out pulses
   
Diodes smooth out turn-off spikes
   
Spike current sent into rails, helps charge cap back up
Helps avoid transistor breakdown
Variable duty cycle "fakes" a better sinewave

More poles for more torque, smoothness
   
Like two of our original motors in one housing
   
4 poles: 2 electrical revolutions / revolution
   
Coils could be series or parallel
Real-life cars ...
   
Insight: 12 poles, 6 r/r
   
Prius: 8 poles, 4 r/r
   
Civic: ??? Let's figure it out from RPM
Real-life motors are more "closed"
   
Few stray external magnetic fields

aka, "Where the heck are we"
No more mechanical brushes
   
We likely need some position feedback
Simple Hall-effect or inductive sensors
   
Small magnets attached to rotor shaft
   
Outputs trigger drive electronics
Frequently used in smaller motors, fans
   
And the Insight IMA ...

Reluctance-driven quadrature sensor
   
Tamagawa-Seiki "singlsyn" type
   
Two outputs change relative amplitude and phase
   
Faster and finer feedback than Hall switches
Used in the Prius
   
Referred to as the "resolver"
   
This explains the 6-wire position-sensor connectors
   
Driver/translator chips built into hybrid ECU
Completes feedback loop for electric drive
Armed with all this, class may continue...