Exploring Electrets


Investigating microphones that need power, aka the "phantom menace"

A local convention organization has a bunch of lavalier microphones that aren't really suitable for the panel sessions they were trying to use them in, as they're omidirectional and tend to pick up way too much room noise and cause feedback.  They also need a steady supply of small and annoying RW44 batteries, and the built-in holders for same are VERY flakey and cause their own noise.  What can we say, they were cheap at the time.  Since then we've moved to using normal cardioid mics on small desk stands or even boundary mics designed for conference settings, which when aimed at panelists properly work so much better and reject the noise from the rest of the room.  But now, what to do with all these now-disused lavs?

One of our tech fold determined that the mics themselves are made with fairly common Panasonic WM-61 capsules, which aren't actually too bad, so he had an idea: perhaps it would be possible to build (maybe 3D print) some kind of little enclosure for the lav housing itself, to mask away sound from the wrong direction, and then come up with a little circuit to run it on phantom power from a sound board.  It was suggested that I bring a couple of the old mics home to play with, so I did, and fell down a bit of a rathole on it all.  Thus, of course, a webpage about it.

Here's the lavalier product in question: the Polsen OLM-10.  The battery and super-simple driver circuit go in the little bump-in-the-cord. 


The Polsen lavalier in question
Polsen Audio OLM-10

The driver circuit is about simple as it gets -- the battery feeds through a 1.2k resistor to the capsule's positive side, and the output is taken from there through a 2.2 uF tantalum capacitor to remove any DC offset.  It's a single-ended output, so to work in an XLR input the ground side of the mic output needs to be connected to board ground too.  The mics have 3.5mm TRS plugs with tip and ring shorted together, the marketing idea being to feed "left and right channels" to whatever device they're plugged into.  Except that's not really that common an input topology -- typical microphone inputs in the 3.5mm world expect to be MONO, bringing in only one channel, so there's no point in TRS for that.  This suggests that these were never designed to be natively compatible with typical sound gear.  We need either a TS 1/4" adapter that shorts the ring to ground in a jack, or an XLR adapter with pin 3 connected to ground, for the thing to work in a balanced input.

Measurements in the stock setup show about 1.3 volts across the capsule (from a 1.5V battery), and about 0.2 mA trickling through it, varying as it hears sound.  The output is very low, aka "mic level" -- the convention organizations's boards adapted to XLR inputs and needed the trims turned up all the way to get any usable signal out of these things at all.  Next question, therefore, was how to go about using 48V phantom power and not totally cooking the capsule the instant it was plugged in.  I researched through a wide variety of suggested circuits found online, and wanted to try to stay on the simple and passive side without any active devices needed for my initial experiments.


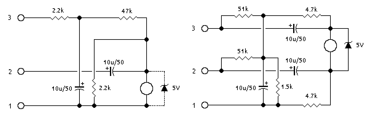
Test circuits for P48 phantom power
Phantom-power test circuits

From that I noodled up a couple of test circuits -- one single-ended that uses pin 3 basically as a power supply and feeds signal back to pin 2, and one that attempts to be somewhat "differential" by bringing power from both and swinging both ends of the capsule to 2 and 3.  The important thing was to limit available current and voltage at the mic capsule itself.  Each pin with 48V phantom power can source 7 mA through its 6.8k internal resistance, or 14 for the combination, and the spec on the capsule itself (which I did eventually find) is maximum 10 volts and half a milliamp.  So it seemed important to divide the supply voltage way down, and then limit current to whatever extent needed but still be able to get output from it back into the XLR pins.

Next was to throw some stuff together on a proto-board, and eventually feed it from an XLR input on the mixer.  Initial testing of this was with a variable bench supply instead, and had a scope and meters hung off it to monitor voltage and capsule current and its output while I tried component values to get in the ballpark.  Of course hanging clip-leads out of an XLR breakout is bound to hum a little, so once I became bold enough to actually plug that mess into phanton instead I didn't expect things to be totally clean here.  I just wanted some proof of concept. 


Testing different phantom-power circuits
Trying the circuits

TL;DR, it worked!  Kinda.  I did get output from both circuits, and it turned out the single-ended one actually worked better, with more gain and less hum than the balanced attempt  Likely because balanced inputs are much trickier and I'm sure my parts and never-considered impedances were sadly mismatched.  [Would we call that "impudence"??] Both circuits also produced a bit of hiss, and although it's said that condenser microphones do exhibit a bit more "self-noise" than passive dynamics, I had an unsatisfactorily noticeable amount which might have come from flowing more DC than really needed from the XLR pins.  (Resistors are noisy too... and when you're gaining this whole mess up by like 50dB, oh well.)  I will note that the original battery setup does have less hiss, but all of its DC games are contained far away in the little pod.

Now, a little explanation is needed here.  There was also the question of sound directionality, which I tried to address by burying the mic capsule in a container and wrapped in a big surrounding wad of foam, with the element peeking out a small hole.  The first thing I found for containment in "the hoard" of various saved stuff [Because, y'know, New Englanders save everything as "might be useful"] was a holder for dog poop bags that people hang off their leashes.  But it had a closed back [thus the cable going in the front] and in this setup, did provide a *little* directionality and side/back suppression, but only in the high and upper midrange.  An omni element really does do its damndest to be omni.



    Oops

Even with the careful efforts to not cook capsules, I did manage to kill one of them -- it stopped working and appeared to be internally shorted.  This happened after I'd cleaned up the early test circuit a little and simply plugged it back into phantom power, and I think we can see why, notably on the single-ended circuit where it happened: when pin 2 suddenly supplies power, a 48V pulse reaches the capsule as the capacitor charges, and what likely happened was that during test-circuit cleanup, that cap had discharged all the way.  Zap. That was *before* the protective zener got added across the capsule, to at least try to divert that transient around it.  We couldn't just add a high resistance in series with 2, as that would severely cut down output, and most of the circuits I'd found on the net also had the + side of the capsule capacitor-coupled straight into the XLR.

Even the pseudo-differential one carries the same risk, if, say, pins 1 and 3 happen to connect first and 2 floats for an instant (easy to do, if the plug goes in slightly crooked or its contacts are misaligned) the fairly low resistance to ground isn't enough to limit the inrush.  So from that moment on during further testing, I made sure the zener was always across the capsule.  Now I hear objections "...but zeners are noisy!" -- the idea here is that during operation, it's never passing current since the capsule voltage is down around 2 volts (stated, I might add, as its "typical operating range").  There *are* other circuits I found that use a zener *in* conduction to generate a reduced power-supply voltage, so if that also worked out for people then maybe it isn't such an issue.

So since one of the two mics I'd brought home was now dead, I got curious about what's in the lav head and possibly what the failure mode was.  The internal circuit of the WM-61 or WM-61A capsule is ridiculously simple, just the electret element and a JFET.  It also behaved on an ohmmeter like there might have been a body diode in the backward direction to guard against mis-powering.  And, after application of a bit more force than my fingers could do, it turned out that the top of the head *does* unscrew.


OLM-10 mic capsule unscrewed
Lav mic head opened up

How they managed to fit that knot *with a layer of heatshrink* in there without breaking something, I can't imagine.  But undoing that and freeing up the little capsule itself and stripping things back a little reveals the rear connections, with the tiny ground strap intact between the negative side and the case.  (There are some circuits that that break that connection as a mod, with the claim that it allows use for higher SPL environments.)

Keep in mind that this whole capsule is only 6 mm in diameter, so this is some pretty up-close photography of tiny parts.


WM-61 rear connections, with case strap
Capsule rear connections

Clearly to get any further the can needed to be removed, so I gnawed away at the swage with cutters until it finally came off.  Now we see the electret itself, a spacer ring, and a backing plate.  The part at the right is just the felt originally covering the hole.

Contents of WM-61 capsule with can removed
Internal parts

Pulling the clear plastic block off the backing board reveals the JFET, which appears to connect to the backing plate by inherent springiness of the gate lead. [?!]

Also note that the parts along the top here are *not* in the correct order...


Spacer block pulled off the backing board and JFET
The JFET finally revealed

So let's lay out the whole chain in the right order: electret, spacer, backing plate, JFET.  It's that simple.  And we do see hints about the JFET, with "J" in its designation; that's not really enough to google up a data sheet, but I did find one for a somewhat equivalent "N-channel JFET for electret condenser microphone" device also in a SOT-113 package like this, a Unisonic K1109.

Internal parts, showing 'J35' device designation
Layout of parts in order

Now, I hadn't really examined the electret itself yet, but now noticed a subtle circular depression in it, a hint of its construction...

The entire chain of WM-61 parts, in order
The entire chain of capsule parts

Turning the electret over reveals its construction: it supplies its own spacer ring away from the front of the capsule, and it turns out to be a *very* thin diaphragm (because it has to be) that winds up sitting very near the backing plate, thus forming the "condenser", nominally about 10 pF.  Splitting the leads of the JFET reveals that yes, just that is internally shorted so there would have been no fixing this.  There is probably a little more inside that package than the JFET itself, especially as it seems to always pass about 0.2 mA over a range of supply voltages.  Or, I'm not understanding how JFETs actually work...

So while all this playing around was fun and the "poop bag" containment was hilarious, the real question is would it actually be worthwhile to try and re-use the convention's old microphones to build some better directional, phantom-powered sort of units?  Doesn't really seem so, as there is plenty of likely better gear on the market whose cost would be well under the equivalent time and materials we'd have to spend on such a project.  Likely with far better designs of its electronics, too.  However, I won't shut the door completely on these yet, as some on our crew know way more about sound and gear design than I do.  There may be some clever ways to optimize some kind of retrofit.  As these mic elements themselves actually sound fairly decent, perhaps they could be more simply adapted to, say, wireless body packs that can supply electret power internally?  But now we're talking a whole different scenario where lavaliers actually make more sense.




_H*   250830